欢迎来到深圳市向日葵成人网站电子有限公司官网!
向日葵视频下载污

16年专注电子元器件代理服务商销售向日葵视频色板、向日葵污视频APP下载、向日葵视频下载污等产品遍布全球130个国家地区

咨询热线138-2353-9691(微信同号)向日葵污视频APP下载
关注向日葵成人网站,获取电子元器件新资讯
您的位置: 网站首页 > 行业资讯 > 扬杰MG75HF12LEC1 IGBT模块规格参数、规格书以及主要应用

扬杰MG75HF12LEC1 IGBT模块规格参数、规格书以及主要应用

发布时间:2023-07-03 16:36
信息摘要:
扬杰MG75HF12LEC1 IGBT模块是一种晶闸管模块,可在电力电子领域中应用广泛。扬杰MG75HF12LEC1 IGBT模块的基本结构和特点,该模块采用了现代化的设计理念和工艺制造技术,具备高集成度、高可靠性和长寿命的特点。

  扬杰MG75HF12LEC1 IGBT模块是一种晶闸管模块,可在电力电子领域中应用广泛。扬杰MG75HF12LEC1 IGBT模块的基本结构和特点,该模块采用了现代化的设计理念和工艺制造技术,具备高集成度、高可靠性和长寿命的特点。通过结合IGBT器件和通用模块的独特设计,该模块能够在多种环境条件下稳定运行。此外,它还具有高速开关能力、低电感和低电阻等特性,能够在高功率电子装置中发挥重要作用。

扬杰MG75HF12LEC1 IGBT模块规格参数、规格书以及主要应用

    一、扬杰MG75HF12LEC1 IGBT模块规格参数

  产品类型:IGBT模块

  产品型号:MG75HF12LEC1

  产品描述:1200V 75A

  产品封装:C1

  产品品牌:扬杰

  反向重复峰值电压VRRM:1200V

  正向平均电流IF:75A

  饱和压降 VCE: 3.0V

  工作温度范围:-40℃~+150℃


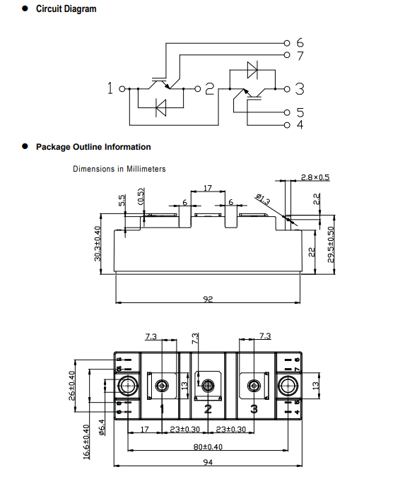
    二、扬杰MG75HF12LEC1 IGBT模块规格书


1

2

  三、扬杰MG75HF12LEC1 IGBT模块的主要应用

  扬杰MG75HF12LEC1 IGBT模块的应用非常广泛,特别是在工业控制方面。比如,它可以应用在电机驱动器中,控制电流和电压,从而让机器运行更加稳定。同时,它还可以用于高压直流输电、可再生能源发电等领域,提高电力系统的效率和稳定性。在交通运输领域,该模块也被广泛应用,比如在轨道交通、汽车电控等领域,通过控制电流电压来实现换向、速度控制等功能,提高了交通运输的安全性和可靠性。

  除此之外,扬杰MG75HF12LEC1 IGBT模块还可以应用在工业节能和减排方面。通过在工业生产中控制能量消耗,降低烟尘、二氧化碳等有害物质的排放,从而保护环境,实现可持续性发展。

  总的来说,扬杰MG75HF12LEC1 IGBT模块是一种应用广泛的晶闸管模块,能够在电力电子、工业控制、交通运输、节能减排等领域发挥重要作用。在未来的发展过程中,它还将继续发挥重要作用,带动相关产业的发展。

            

热品推荐

特锐祥贴片陶瓷Y5U561M安规向日葵视频色板 厂家直售

特锐祥贴片陶瓷Y5U561M安规向日葵视频色板 厂家直售

产品类型:Y2向日葵视频色板 产品型号:Y2 561M/250V 产品描述:SMD-Y2-Y5U561M/AC250V 封装:4.3*3.5*2.2 品牌:特锐祥 封装/外壳:塑料封装 L 管脚贴片 产品应用:主要用于家用电器、充电器 规格书下载
插件固态向日葵视频色板1000UF 6.3V 8* 8 免费拿样

插件固态向日葵视频色板1000UF 6.3V 8* 8 免费拿样

产品系列:固态向日葵视频色板 产品型号:1000UF 6.3V 8*8 产品描述:6.3V 8*8 品牌:FRX 产品应用:通用DC-DC调节器
长寿命弯脚 400V120UF  高品质电解向日葵视频色板供应

长寿命弯脚 400V120UF  高品质电解向日葵视频色板供应

产品系列:电解向日葵视频色板 产品型号:长寿命电解向日葵视频色板 产品描述:尺寸可定制 400uF 120V 封装:铝电解 品牌:NOBLE 产品应用:家用电器
X2安规向日葵视频色板 335K/AC275V 脚距10mm向日葵视频色板

X2安规向日葵视频色板 335K/AC275V 脚距10mm向日葵视频色板

产品类型:X向日葵视频色板 产品型号:X2 335K/AC275V   本体宽度:13mm 本体脚距:10mm 本体厚度:8mm 品牌:特锐祥 封装/外壳:塑料封装 L 管脚贴片 产品应用:家用电器 规格书下载
8N65高压mos管 场效应管SMF8N65

8N65高压mos管 场效应管SMF8N65

产品类型:场效应管 产品型号:SMF8N65 产品描述:8A 650V TO-220F塑封 封装:TO-220F 品牌:FRX 产品应用:高压NPN型MOS管,高频开关电源,高速功率开关应用。应用于电源开关、LED照明等 规格书下载
天电TD356C(T1)-G向日葵污视频APP下载代替亿光EL357C

天电TD356C(T1)-G向日葵污视频APP下载代替亿光EL357C

产品类型:向日葵污视频APP下载 产品型号:TD356C(T1)-G 运转方式:代替亿光EL357C 封装:SOP-4 品牌:天电 产品应用:主要用于手机充电器、电源适配器、LED电源等。 规格书下载
MSB40M整流桥堆  4A软桥厂家

MSB40M整流桥堆  4A软桥厂家

产品类型:桥堆、软桥 产品型号:MSB40M 产品描述:4A 1000V MSB407 MSB 封装:MSB 品牌:新邦微XBW 产品应用:主要用于手机充电器、电源适配器、LED电源等。 规格书下载
特锐祥正品 插件陶瓷Y5P151K 250V向日葵视频色板

特锐祥正品 插件陶瓷Y5P151K 250V向日葵视频色板

产品类型:Y2向日葵视频色板 产品型号:Y2 471M/250V 产品描述:SMD-Y2-Y5U471M/AC250V 封装:4.3*3.5*2.2 品牌:特锐祥 封装/外壳:塑料封装 L 管脚贴片 产品应用:主要用于家用电器、充电器 规格书下载
全新原装牛角型820uf 450V硬脚电解向日葵视频色板

全新原装牛角型820uf 450V硬脚电解向日葵视频色板

产品系列:电解向日葵视频色板 产品型号:牛角型电解向日葵视频色板 产品描述:尺寸可定制 820uF 450V 封装:铝电解 品牌:NOBLE 产品应用:家用电器
肖特基二极管SS54 5A 40V SMA/SMB/SMC

肖特基二极管SS54 5A 40V SMA/SMB/SMC

产品类型:二极管 产品型号:SS54 产品描述:5A 40V 550mV@5A 产品封装:SMA/SMB/SMC 产品品牌:新邦微 产品应用:小家电、数码产品、电源产品及工控等 规格书下载
瞬态抑制二极管SMF5.0CA SOD-123FL

瞬态抑制二极管SMF5.0CA SOD-123FL

产品类型:TVS二极管 产品型号:SMF5.0CA 产品描述:4.6*1.5*2.9 产品封装:SOD-123FL 产品品牌:新邦微XBW 产品应用:主要应用于数码产品、传感器、变速器、工控回路、续电器、接触器噪音的抑制等各个领域
贴片稳压二极管BZX584C6V8 6.8V SOD-523

贴片稳压二极管BZX584C6V8 6.8V SOD-523

产品类型:塑封稳压二极管 产品型号:BZX584C6V8 产品描述:6.8V 丝印Z5 封装:SOD-523 品牌:星海 产品应用:由于具有稳压作用,广泛用在稳压电源、电子点火器、直流电平平移、限幅电路、过压保护电路、补偿电路等当中。 规格书下载
1N4148W开关二极管 新邦微原厂直销

1N4148W开关二极管 新邦微原厂直销

产品类型:二极管 产品型号:1N4148W 产品描述:75V 0.15A T4 SOT-23 封装:SOT-23 品牌:新邦微XBW 产品应用:超高速开关应用。应用广泛。应用于电子设备、数码、通讯等。 规格书下载
BAV70贴片二极管 新邦微高速开关二极管

BAV70贴片二极管 新邦微高速开关二极管

产品类型:二极管 产品型号:BAV70 产品描述:75V 0.15A T4 封装:SOT-23 品牌:新邦微XBW 产品应用:超高速开关应用。应用广泛。应用于电子设备、数码、通讯等。 规格书下载
BAV99开关二极管 新邦微100%原装正品

BAV99开关二极管 新邦微100%原装正品

产品类型:二极管 产品型号:BAV99 产品描述:75V 0.15A T4 产品封装:SOT-23 产品品牌:新邦微XBW 产品应用:超高速开关应用。应用广泛。应用于电子设备、数码、通讯等。 规格书下载
新邦微MMBD4148CA开关二极管

新邦微MMBD4148CA开关二极管

产品类型:二极管 产品型号:MMBD4148CA 产品描述:75V 0.2A A1 产品封装:SOT-23 产品品牌:新邦微XBW 产品应用:超高速开关应用。应用广泛。应用于电子设备、数码、通讯等。 规格书下载
新邦微BAW56原装现货贴片开关二极管

新邦微BAW56原装现货贴片开关二极管

产品类型:二极管 产品型号:BAW56 产品描述:75V 0.215A A7 产品封装:SOT-23 产品品牌:新邦微XBW 产品应用:超高速开关应用。应用广泛。应用于电子设备、数码、通讯等。 规格书下载
SMA封装 新邦微贴UF1M片二极管

SMA封装 新邦微贴UF1M片二极管

产品类型:快恢复二极管 产品型号:UF1M 封装:SMA 品牌:新邦微XBW 产品应用:塑料封装型通用硅材料。广泛应用于各种交流变直流的整流电路中。也用于桥式整流电路。 规格书下载
新邦微RS2M贴片快恢复二极管 厂家直售

新邦微RS2M贴片快恢复二极管 厂家直售

产品类型:二极管 产品型号:RS2M 产品描述:2A 1000V  封装:SMA 品牌:新邦微XBW 产品应用:广泛应用于开关电源、LED电源、变频器、驱动器等电路 规格书下载
新邦微SMB封装 FR1M快恢复二极管高质价优

新邦微SMB封装 FR1M快恢复二极管高质价优

产品类型:二极管 产品型号:FR1M 产品描述:1A 1000V FR1M SMB 封装:SMA 品牌:新邦微XBW 产品应用:广泛应用于开关电源、LED电源、变频器、驱动器等电路 规格书下载
新邦微US1M快恢复二极管

新邦微US1M快恢复二极管

产品类型:快恢复二极管 产品型号:US1M 产品描述:1A 1000V 封装:SMA 品牌:新邦微XBW 产品应用:广泛应用于开关电源、LED电源、变频器、驱动器等电路 规格书下载
新邦微RS1M贴片二极管 O元拿样

新邦微RS1M贴片二极管 O元拿样

产品类型:二极管 产品型号:RS1M 封装:SMA 品牌:新邦微XBW 产品应用:广泛应用于开关电源、LED电源、变频器、驱动器等电路 规格书下载
新邦微M7整流二极管 SMA封装厂家直售

新邦微M7整流二极管 SMA封装厂家直售

产品类型:整流二极管 产品型号:M7 封装:SMA 品牌:新邦微XBW 产品应用:塑料封装型通用硅材料。广泛应用于各种交流变直流的整流电路中。也用于桥式整流电路。 规格书下载
新邦微SOD-123FL封装 1N4007W整流二极管

新邦微SOD-123FL封装 1N4007W整流二极管

产品类型:二极管 产品型号:1N4007W 封装:SOD-123FL 品牌:新邦微XBW 产品应用:塑料封装型通用硅材料。广泛应用于各种交流变直流的整流电路中。也用于桥式整流电路。 规格书下载
新邦微1N5399整流二极管 高质价优

新邦微1N5399整流二极管 高质价优

产品类型:二极管 产品型号:1N5399 产品描述:1.5A 1000V DO-15 封装:DO-15 品牌:新邦微XBW 产品应用:塑料封装型通用硅材料。广泛应用于各种交流变直流的整流电路中。也用于桥式整流电路。 规格书下载
新邦微1N4007整流二极管 原装正品

新邦微1N4007整流二极管 原装正品

产品类型:二极管 产品型号:1N4007 产品描述:1A 1000V DO-41 封装:DO-41 品牌:新邦微XBW 产品应用:塑料封装型通用硅材料。广泛应用于各种交流变直流的整流电路中。也用于桥式整流电路。 规格书下载
新邦微1N5408整流二极管 DO-41现货速发

新邦微1N5408整流二极管 DO-41现货速发

产品类型:二极管 产品型号:1N4008 产品描述:1A 1000V DO-41 封装:DO-41 品牌:新邦微XBW 产品应用:塑料封装型通用硅材料。广泛应用于各种交流变直流的整流电路中。也用于桥式整流电路。 规格书下载
肖特基贴片二极管1N5819W SOD-123

肖特基贴片二极管1N5819W SOD-123

产品类型:二极管 产品型号:1N5819W 产品描述:1A 40V  丝印SL 封装:SOD-123 品牌:新邦微XBW 产品应用:用于低压、高频逆变器;自由转动和极性保护应用 规格书下载

联系向日葵成人网站

  • 电话:138-2353-9691
  • QQ:397540463
  • 邮箱:397540463@qq.com
  • 地址:深圳市宝安区西乡大道302号金源商务大厦B座301
网站地图