欢迎来到深圳市向日葵成人网站电子有限公司官网!
向日葵视频下载污

16年专注电子元器件代理服务商销售向日葵视频色板、向日葵污视频APP下载、向日葵视频下载污等产品遍布全球130个国家地区

咨询热线138-2353-9691(微信同号)向日葵污视频APP下载
关注向日葵成人网站,获取电子元器件新资讯
您的位置: 网站首页 > 行业资讯 > 扬杰MG25P12E1 IGBT模块规格参数、规格书以及主要特性

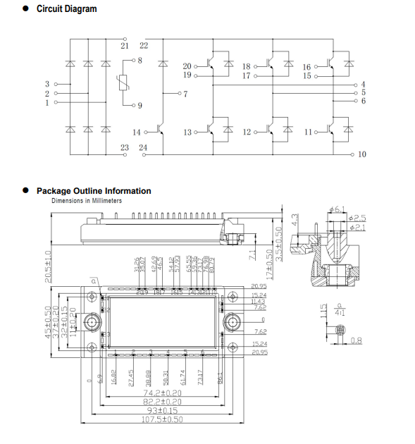
扬杰MG25P12E1 IGBT模块规格参数、规格书以及主要特性

发布时间:2023-07-17 14:00:42
信息摘要:
在现代科技的快速发展和电力设备的广泛应用下,IGBT(Insulated Gate Bipolar Transistor)逐渐成为电力电子领域的关键元件之一。而扬杰MG25P12E1 IGBT模块作为一种高性能、可靠性强的电力转换装置,一直备受推崇。

  在现代科技的快速发展和电力设备的广泛应用下,IGBT(Insulated Gate Bipolar Transistor)逐渐成为电力电子领域的关键元件之一。而扬杰MG25P12E1 IGBT模块作为一种高性能、可靠性强的电力转换装置,一直备受推崇。

扬杰MG25P12E1 IGBT模块规格参数、规格书以及主要特性

    一、扬杰MG25P12E1 IGBT模块规格参数

  产品类型:IGBT模块

  产品型号:MG25P12E1

  产品描述:1200V 25A

  产品封装:E1

  产品品牌:扬杰

  反向重复峰值电压VRRM:1200V

  正向平均电流IF:25A

  饱和压降 VCE: 1.85V

  工作温度范围:-40℃~+150℃


    二、扬杰MG25P12E1 IGBT模块规格书


1

2

  三、扬杰MG25P12E1 IGBT模块的特性

  扬杰MG25P12E1 IGBT模块采用了先进的第六代IGBT技术,不仅具有传统IGBT的优点,如高电压能力、低饱和压降等,而且在热稳定性、低开关损耗、抗瞬变电流等方面有着显著的改进。此外,该模块还具备超快速反向恢复二极管和高敏感性驱动电路,使其在电力电子应用中表现出色。

  扬杰MG25P12E1 IGBT模块的一个显著特点是其强大的承受电压能力。该模块的额定电压可达1200V,使其能够在高压环境下稳定运行。这种高电压能力使该模块成为电力变频器、工业电机驱动器等高功率电力设备的理想选择。

  此外,扬杰MG25P12E1 IGBT模块具有非常低的饱和压降。在标准工作条件下,其饱和压降仅为2.2V。这不仅可以有效减小能量损耗,提高系统的效率,还可以防止模块过热引发的故障和损坏。因此,该模块在高频应用和高效率要求的场合中表现出色。

  另一个令扬杰MG25P12E1 IGBT模块脱颖而出的特点是其出色的热稳定性。该模块采用了先进的封装技术和材料,使其能够在高温环境下持续运行。此外,该模块还具备优异的热传导性能,能够有效散热,保持模块的稳定性和可靠性。这使得扬杰MG25P12E1 IGBT模块成为在严苛的工业环境和高温应用中广泛使用的理想选择。

  同时,扬杰MG25P12E1 IGBT模块设计了超快速反向恢复二极管。这种二极管具有快速恢复特性,可以迅速转换电流方向,减小二极管带来的反向传导损耗。该模块还配置了高敏感性驱动电路,能够精确控制电流的开关过程,提高系统的响应速度和稳定性。因此,扬杰MG25P12E1 IGBT模块在高频开关电路和频繁开关应用中更加可靠。


  总之,扬杰MG25P12E1 IGBT模块是一款性能卓越的电力转换装置。其高压能力、低饱和压降、强大的热稳定性、超快速反向恢复二极管和高敏感性驱动电路等特点使其在电力电子领域中具有广泛的应用前景。无论是在电力变频器、工业电机驱动器,还是高频开关电路和频繁开关应用中,扬杰MG25P12E1 IGBT模块都能够实现稳定可靠的性能,为用户提供出色的电力转换解决方案。

            

热品推荐

特锐祥贴片陶瓷Y5U561M安规向日葵视频色板 厂家直售

特锐祥贴片陶瓷Y5U561M安规向日葵视频色板 厂家直售

产品类型:Y2向日葵视频色板 产品型号:Y2 561M/250V 产品描述:SMD-Y2-Y5U561M/AC250V 封装:4.3*3.5*2.2 品牌:特锐祥 封装/外壳:塑料封装 L 管脚贴片 产品应用:主要用于家用电器、充电器 规格书下载
插件固态向日葵视频色板1000UF 6.3V 8* 8 免费拿样

插件固态向日葵视频色板1000UF 6.3V 8* 8 免费拿样

产品系列:固态向日葵视频色板 产品型号:1000UF 6.3V 8*8 产品描述:6.3V 8*8 品牌:FRX 产品应用:通用DC-DC调节器
长寿命弯脚 400V120UF  高品质电解向日葵视频色板供应

长寿命弯脚 400V120UF  高品质电解向日葵视频色板供应

产品系列:电解向日葵视频色板 产品型号:长寿命电解向日葵视频色板 产品描述:尺寸可定制 400uF 120V 封装:铝电解 品牌:NOBLE 产品应用:家用电器
X2安规向日葵视频色板 335K/AC275V 脚距10mm向日葵视频色板

X2安规向日葵视频色板 335K/AC275V 脚距10mm向日葵视频色板

产品类型:X向日葵视频色板 产品型号:X2 335K/AC275V   本体宽度:13mm 本体脚距:10mm 本体厚度:8mm 品牌:特锐祥 封装/外壳:塑料封装 L 管脚贴片 产品应用:家用电器 规格书下载
8N65高压mos管 场效应管SMF8N65

8N65高压mos管 场效应管SMF8N65

产品类型:场效应管 产品型号:SMF8N65 产品描述:8A 650V TO-220F塑封 封装:TO-220F 品牌:FRX 产品应用:高压NPN型MOS管,高频开关电源,高速功率开关应用。应用于电源开关、LED照明等 规格书下载
天电TD356C(T1)-G向日葵污视频APP下载代替亿光EL357C

天电TD356C(T1)-G向日葵污视频APP下载代替亿光EL357C

产品类型:向日葵污视频APP下载 产品型号:TD356C(T1)-G 运转方式:代替亿光EL357C 封装:SOP-4 品牌:天电 产品应用:主要用于手机充电器、电源适配器、LED电源等。 规格书下载
MSB40M整流桥堆  4A软桥厂家

MSB40M整流桥堆  4A软桥厂家

产品类型:桥堆、软桥 产品型号:MSB40M 产品描述:4A 1000V MSB407 MSB 封装:MSB 品牌:新邦微XBW 产品应用:主要用于手机充电器、电源适配器、LED电源等。 规格书下载
特锐祥正品 插件陶瓷Y5P151K 250V向日葵视频色板

特锐祥正品 插件陶瓷Y5P151K 250V向日葵视频色板

产品类型:Y2向日葵视频色板 产品型号:Y2 471M/250V 产品描述:SMD-Y2-Y5U471M/AC250V 封装:4.3*3.5*2.2 品牌:特锐祥 封装/外壳:塑料封装 L 管脚贴片 产品应用:主要用于家用电器、充电器 规格书下载
全新原装牛角型820uf 450V硬脚电解向日葵视频色板

全新原装牛角型820uf 450V硬脚电解向日葵视频色板

产品系列:电解向日葵视频色板 产品型号:牛角型电解向日葵视频色板 产品描述:尺寸可定制 820uF 450V 封装:铝电解 品牌:NOBLE 产品应用:家用电器
肖特基二极管SS54 5A 40V SMA/SMB/SMC

肖特基二极管SS54 5A 40V SMA/SMB/SMC

产品类型:二极管 产品型号:SS54 产品描述:5A 40V 550mV@5A 产品封装:SMA/SMB/SMC 产品品牌:新邦微 产品应用:小家电、数码产品、电源产品及工控等 规格书下载
瞬态抑制二极管SMF5.0CA SOD-123FL

瞬态抑制二极管SMF5.0CA SOD-123FL

产品类型:TVS二极管 产品型号:SMF5.0CA 产品描述:4.6*1.5*2.9 产品封装:SOD-123FL 产品品牌:新邦微XBW 产品应用:主要应用于数码产品、传感器、变速器、工控回路、续电器、接触器噪音的抑制等各个领域
贴片稳压二极管BZX584C6V8 6.8V SOD-523

贴片稳压二极管BZX584C6V8 6.8V SOD-523

产品类型:塑封稳压二极管 产品型号:BZX584C6V8 产品描述:6.8V 丝印Z5 封装:SOD-523 品牌:星海 产品应用:由于具有稳压作用,广泛用在稳压电源、电子点火器、直流电平平移、限幅电路、过压保护电路、补偿电路等当中。 规格书下载
1N4148W开关二极管 新邦微原厂直销

1N4148W开关二极管 新邦微原厂直销

产品类型:二极管 产品型号:1N4148W 产品描述:75V 0.15A T4 SOT-23 封装:SOT-23 品牌:新邦微XBW 产品应用:超高速开关应用。应用广泛。应用于电子设备、数码、通讯等。 规格书下载
BAV70贴片二极管 新邦微高速开关二极管

BAV70贴片二极管 新邦微高速开关二极管

产品类型:二极管 产品型号:BAV70 产品描述:75V 0.15A T4 封装:SOT-23 品牌:新邦微XBW 产品应用:超高速开关应用。应用广泛。应用于电子设备、数码、通讯等。 规格书下载
BAV99开关二极管 新邦微100%原装正品

BAV99开关二极管 新邦微100%原装正品

产品类型:二极管 产品型号:BAV99 产品描述:75V 0.15A T4 产品封装:SOT-23 产品品牌:新邦微XBW 产品应用:超高速开关应用。应用广泛。应用于电子设备、数码、通讯等。 规格书下载
新邦微MMBD4148CA开关二极管

新邦微MMBD4148CA开关二极管

产品类型:二极管 产品型号:MMBD4148CA 产品描述:75V 0.2A A1 产品封装:SOT-23 产品品牌:新邦微XBW 产品应用:超高速开关应用。应用广泛。应用于电子设备、数码、通讯等。 规格书下载
新邦微BAW56原装现货贴片开关二极管

新邦微BAW56原装现货贴片开关二极管

产品类型:二极管 产品型号:BAW56 产品描述:75V 0.215A A7 产品封装:SOT-23 产品品牌:新邦微XBW 产品应用:超高速开关应用。应用广泛。应用于电子设备、数码、通讯等。 规格书下载
SMA封装 新邦微贴UF1M片二极管

SMA封装 新邦微贴UF1M片二极管

产品类型:快恢复二极管 产品型号:UF1M 封装:SMA 品牌:新邦微XBW 产品应用:塑料封装型通用硅材料。广泛应用于各种交流变直流的整流电路中。也用于桥式整流电路。 规格书下载
新邦微RS2M贴片快恢复二极管 厂家直售

新邦微RS2M贴片快恢复二极管 厂家直售

产品类型:二极管 产品型号:RS2M 产品描述:2A 1000V  封装:SMA 品牌:新邦微XBW 产品应用:广泛应用于开关电源、LED电源、变频器、驱动器等电路 规格书下载
新邦微SMB封装 FR1M快恢复二极管高质价优

新邦微SMB封装 FR1M快恢复二极管高质价优

产品类型:二极管 产品型号:FR1M 产品描述:1A 1000V FR1M SMB 封装:SMA 品牌:新邦微XBW 产品应用:广泛应用于开关电源、LED电源、变频器、驱动器等电路 规格书下载
新邦微US1M快恢复二极管

新邦微US1M快恢复二极管

产品类型:快恢复二极管 产品型号:US1M 产品描述:1A 1000V 封装:SMA 品牌:新邦微XBW 产品应用:广泛应用于开关电源、LED电源、变频器、驱动器等电路 规格书下载
新邦微RS1M贴片二极管 O元拿样

新邦微RS1M贴片二极管 O元拿样

产品类型:二极管 产品型号:RS1M 封装:SMA 品牌:新邦微XBW 产品应用:广泛应用于开关电源、LED电源、变频器、驱动器等电路 规格书下载
新邦微M7整流二极管 SMA封装厂家直售

新邦微M7整流二极管 SMA封装厂家直售

产品类型:整流二极管 产品型号:M7 封装:SMA 品牌:新邦微XBW 产品应用:塑料封装型通用硅材料。广泛应用于各种交流变直流的整流电路中。也用于桥式整流电路。 规格书下载
新邦微SOD-123FL封装 1N4007W整流二极管

新邦微SOD-123FL封装 1N4007W整流二极管

产品类型:二极管 产品型号:1N4007W 封装:SOD-123FL 品牌:新邦微XBW 产品应用:塑料封装型通用硅材料。广泛应用于各种交流变直流的整流电路中。也用于桥式整流电路。 规格书下载
新邦微1N5399整流二极管 高质价优

新邦微1N5399整流二极管 高质价优

产品类型:二极管 产品型号:1N5399 产品描述:1.5A 1000V DO-15 封装:DO-15 品牌:新邦微XBW 产品应用:塑料封装型通用硅材料。广泛应用于各种交流变直流的整流电路中。也用于桥式整流电路。 规格书下载
新邦微1N4007整流二极管 原装正品

新邦微1N4007整流二极管 原装正品

产品类型:二极管 产品型号:1N4007 产品描述:1A 1000V DO-41 封装:DO-41 品牌:新邦微XBW 产品应用:塑料封装型通用硅材料。广泛应用于各种交流变直流的整流电路中。也用于桥式整流电路。 规格书下载
新邦微1N5408整流二极管 DO-41现货速发

新邦微1N5408整流二极管 DO-41现货速发

产品类型:二极管 产品型号:1N4008 产品描述:1A 1000V DO-41 封装:DO-41 品牌:新邦微XBW 产品应用:塑料封装型通用硅材料。广泛应用于各种交流变直流的整流电路中。也用于桥式整流电路。 规格书下载
肖特基贴片二极管1N5819W SOD-123

肖特基贴片二极管1N5819W SOD-123

产品类型:二极管 产品型号:1N5819W 产品描述:1A 40V  丝印SL 封装:SOD-123 品牌:新邦微XBW 产品应用:用于低压、高频逆变器;自由转动和极性保护应用 规格书下载

联系向日葵成人网站

  • 电话:138-2353-9691
  • QQ:397540463
  • 邮箱:397540463@qq.com
  • 地址:深圳市宝安区西乡大道302号金源商务大厦B座301
网站地图